H41升降式止回閥
 |
 |
| H41升降式止回閥 |
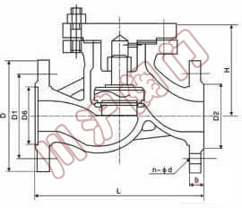
H41升降式止回閥 結構圖 |
一、H41升降式止回閥 主要用途
升降式止回閥選用于公稱壓力PN1.6~6.4MPa,工作溫度-29~550℃的石油、化工、火力電站等各種工況的管路上。適用介質為:水、油品、蒸汽等。
二、H41升降式止回閥 結構與特點
1、選材考究,符合國內、外相關標準,材料的全面質量高。
2、密封副配對先進合理,閥瓣、閥座密封面采用鐵基合金或司太立(Stellite)鈷基硬質合金堆焊面成,耐磨、耐高溫、耐腐蝕、抗擦傷性能好,使用壽命長。
3、產品按國家標準GB/T12235設計制造。
4、可采用各種配管法蘭標準及法蘭密封型式,滿足各種工程需要及用戶要求。
5、閥體材料品種齊全,墊片可根據實際工況或用戶要求合理選配,能適用于各種壓力、溫度及介質工況。
可按用戶要求設計制造不同結構形式和連接形式的止回閥,為各種設備配套使用。
三、H41升降式止回閥 應用范圍
| 設計與制造 |
GB/T12235 |
| 連接端尺寸 |
結構長度 |
GB/T12221 |
| 法蘭尺寸 |
JB/T79 |
| 檢驗與試驗 |
JB/T9092 |
| 材料 |
碳鋼 |
GB/T12229 |
| 不銹鋼 |
GB/T12230 |
| 合金鋼 |
Q/ZB66 |
| 標志 |
GB/T12220 |
| 供貨 |
JB/T7928 |
四、H41升降式止回閥 主要零件材料及主要用途
| 閥體 |
閥蓋 |
閥瓣 |
閥座 |
適用介質 |
適用溫度
(≤℃) |
| WCB |
WCB+D507Mo |
WCB+D577 |
水、油品、蒸汽 |
425 |
| ZG1Cr18Ni9Ti |
0Cr18Ni9+
Stellite12 |
0Cr18Ni9+
Stellite6 |
銷酸類 |
200 |
| ZG1Cr18Ni2Mo2Ti |
CF8M+Stellite12 |
ZG1Cr18Ni2Mo2Ti |
磷酸、醋酸類、混酸 |
200 |
| ZG00Cr17Ni14Mo2 |
CF3M+Stellite12 |
CF3M+Stellite6 |
尿素、甲銨液、磷酸 |
200 |
| ZG1Cr5Mo |
ZG1Cr5Mo+
Stellite12 |
ZG1Cr5Mo+
Stellite6 |
水、油品、蒸汽 |
550 |
五、H41升降式止回閥 主要外形尺寸和連接尺寸(mm)
| DN |
L |
D |
Dl |
D2 |
b |
Z一φd |
H |
WT(Kg) |
| H41H一16C H41Y一16C H41Y一16P H41Y一16R H41Y一161 |
| 15 |
130 |
95 |
65 |
45 |
14 |
4一φ14 |
77 |
3 |
| 20 |
150 |
105 |
75 |
55 |
14 |
4一φ14 |
77 |
4 |
| 25 |
160 |
115 |
85 |
65 |
14 |
4一φ14 |
80 |
5 |
| 32 |
180 |
135 |
100 |
78 |
16 |
4一φ18 |
85 |
7 |
| 40 |
200 |
145 |
110 |
85 |
16 |
4一φ18 |
95 |
9 |
| 50 |
230 |
160 |
125 |
100 |
16 |
4一φ18 |
105 |
10 |
| 65 |
290 |
180 |
145 |
120 |
18 |
4一φ18 |
120 |
20 |
| 80 |
310 |
195 |
160 |
135 |
20 |
8一φ18 |
130 |
30 |
| 100 |
350 |
215 |
180 |
155 |
20 |
8一φ18 |
140 |
39 |
| 125 |
400 |
245 |
210 |
185 |
22 |
8一φ18 |
155 |
50 |
| 150 |
480 |
280 |
240 |
210 |
24 |
8一φ23 |
180 |
70 |
| 200 |
600 |
335 |
295 |
265 |
26 |
12一φ23 |
211 |
231 |
| 250 |
730 |
405 |
355 |
320 |
30 |
12一φ25 |
260 |
25l |
| 300 |
850 |
460 |
410 |
375 |
34 |
12一φ25 |
323 |
395 |
| H41H一25 H41Y一25 H41Y一25P H41Y一25R H41Y一251 |
| 15 |
130 |
95 |
65 |
45 |
16 |
4一φ14 |
100 |
3.4 |
| 20 |
150 |
105 |
75 |
55 |
16 |
4一φ14 |
105 |
5 |
| 25 |
160 |
115 |
85 |
65 |
16 |
4一φ14 |
120 |
5.7 |
| 32 |
180 |
135 |
100 |
78 |
18 |
4一φ18 |
130 |
9.1 |
| 40 |
200 |
145 |
110 |
85 |
18 |
4一φ18 |
135 |
11.8 |
| 50 |
230 |
160 |
125 |
100 |
20 |
4一φ18 |
149 |
14.4 |
| 65 |
290 |
180 |
145 |
120 |
22 |
8一φ18 |
160 |
23 |
| 80 |
310 |
195 |
160 |
135 |
22 |
8一φ18 |
169 |
30 |
| 100 |
350 |
230 |
190 |
160 |
24 |
8一φ23 |
194 |
44 |
| 125 |
400 |
270 |
220 |
180 |
28 |
8一φ25 |
222 |
65 |
| 150 |
480 |
300 |
250 |
218 |
30 |
8一φ25 |
255 |
99 |
| 200 |
600 |
360 |
310 |
278 |
34 |
12一φ25 |
305 |
190 |
| 250 |
730 |
425 |
370 |
332 |
36 |
12一φ30 |
355 |
323 |
| 300 |
850 |
485 |
430 |
390 |
40 |
16一φ30 |
410 |
450 |
| 通徑DN |
L |
D |
D1 |
D2 |
D6 |
b |
Z一φd |
H |
WT(Kg) |
| H41H一40 H41Y一40 H41Y一40P H4lY一40R H41Y一401 |
| 15 |
130 |
95 |
65 |
45 |
40 |
16 |
4一φ14 |
100 |
4 |
| 20 |
150 |
105 |
75 |
55 |
51 |
16 |
4一φ14 |
105 |
5.5 |
| 25 |
160 |
115 |
85 |
65 |
58 |
16 |
4一φ14 |
120 |
6 |
| 32 |
180 |
135 |
100 |
78 |
66 |
18 |
4一φ18 |
130 |
12 |
| 40 |
200 |
145 |
110 |
85 |
76 |
18 |
4一φ18 |
135 |
14 |
| 50 |
230 |
160 |
125 |
100 |
88 |
20 |
4一φ18 |
149 |
18 |
| 65 |
290 |
180 |
145 |
120 |
110 |
22 |
8一φ18 |
160 |
27 |
| 80 |
310 |
195 |
160 |
135 |
121 |
22 |
8一φ18 |
169 |
36 |
| 100 |
350 |
230 |
190 |
160 |
150 |
24 |
8一φ23 |
194 |
50 |
| 125 |
400 |
270 |
220 |
188 |
176 |
28 |
8一φ25 |
225 |
75 |
| 120 |
480 |
300 |
250 |
218 |
204 |
30 |
8一φ25 |
255 |
119 |
| 200 |
600 |
375 |
320 |
282 |
260 |
38 |
12一φ30 |
305 |
217 |
| 250 |
730 |
445 |
385 |
345 |
313 |
42 |
12一φ34 |
360 |
365 |
| 300 |
850 |
510 |
450 |
408 |
364 |
46 |
12一φ34 |
415 |
310 |
|
| 通徑DN |
L |
D |
D1 |
D2 |
D6 |
b |
Z一φd |
H |
WT(Kg) |
| H41H一64 H4lY一64 H41Y一64P H41Y一64R H41Y一641 |
| 15 |
210 |
105 |
75 |
55 |
40 |
18 |
4一φ14 |
100 |
7 |
| 20 |
230 |
125 |
90 |
68 |
51 |
20 |
4一φ18 |
110 |
ll |
| 25 |
230 |
135 |
100 |
78 |
58 |
22 |
4一φ18 |
125 |
13 |
| 32 |
260 |
150 |
110 |
82 |
66 |
24 |
4一φ23 |
140 |
14 |
| 40 |
260 |
165 |
125 |
95 |
76 |
24 |
4一φ23 |
168 |
20 |
| 50 |
300 |
175 |
135 |
105 |
88 |
26 |
4一φ23 |
170 |
23 |
| 65 |
340 |
200 |
160 |
130 |
110 |
28 |
8一φ23 |
188 |
37 |
| 80 |
380 |
210 |
170 |
140 |
121 |
30 |
8一φ23 |
205 |
46 |
| 100 |
430 |
250 |
200 |
168 |
150 |
32 |
8一φ25 |
230 |
68 |
| 125 |
500 |
295 |
240 |
202 |
176 |
36 |
8一φ30 |
230 |
89 |
| 150 |
550 |
340 |
280 |
240 |
204 |
38 |
8一φ34 |
265 |
131 |
| 200 |
650 |
405 |
345 |
300 |
260 |
44 |
12一φ34 |
310 |
235 |